*绝对值型、不含电池
*本安防爆
*出轴、盲孔结构
*10-30v或5v供电
防爆标志:
Ex ia IIB T4 Ga / Ex iaD 20 T130°C
Ex ib IIC T6 Gb: Ex ib IIIC T80° Db
机械参数
电气参数
最大转速
3000转/分
工作电压
10-30Vdc
(5Vdc可定制)
主轴负载
轴向40N,径向100N
消耗电流
< 50mA (24Vdc)空载
抗冲击
1000m/s²(6ms),等于100g
输出信号
CAN
2.0B协议 标准帧
抗振动
200m/s²(10-2000Hz),等于20g
线性分辨率
1/4096FS~65536FS
允许轴向窜动
±1.5mm
IP等级
IP65或IP68可定制
允许径向跳动
±0.2mm
重复定位精度
小于2Bit
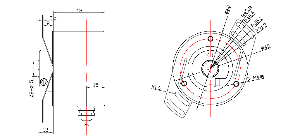
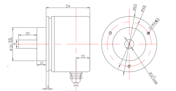
外形结构
38mm外径,实心轴,盲孔轴
工作温度
-40℃~85℃
连接形式
8芯屏蔽电缆或航空插头
储存温度
-40℃~85℃
线缆定义:
功能
Vcc
GND
RS485A(参数设置)
RS485B(参数设置)
CAN H
CAN L
置位
方向
屏蔽
颜色
棕色
白色
绿色
黄色
粉色
黑色
灰色
蓝色
网(粗红色)
注:1、置位线(灰色)的使用
当置位线(灰色)触碰Vcc大于1秒钟,编码器的当前数据即变为置位值(零点)
编码器置位还可以使用指令的方式(具体指令详见例程3)
2、方向线(灰色)的使用
把蓝色线接高电平(即编码器供电电源正),编码器输出值为逆时针(CCW).
把蓝色线接低电平(或悬空),编码器输出值为顺时针(CW)
夹紧同步法兰:
盲孔型/半通孔法兰:
如需选型支持及详细资料请联系:021-51186187 13501695008(微信)








