*断电后实时读取任意位置数据,无需找零
*直接设置0v对应值、5v对应值
*防护等级IP65(IP68需定制)
*欧标结构尺寸、出轴、盲孔可选
*宽工作电压10-30v,极性保护
电气参数:
工作电压: 10-30vdc (5vdc可定制)
消耗电流: < 50mA (24Vdc)空载
输出方式: RS485/ 0-5V 双输出
单圈分辨率: 4096-65536(12-16位)
重复定位精度: 小于2Bit
工作温度: -40°--85°
储存温度: -40°--90°
机械参数:
转速: 3000转/min
主轴负载: 轴向40N,径向100N
抗冲击: 1000m/s²(6ms),等于100g
抗震动: 200m/s²(10-2000Hz),等于20g
允许轴向窜动: ±1.5mm
允许径向跳动: ±0.2mm
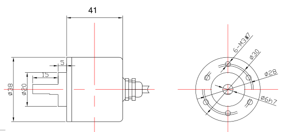
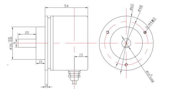
外形结构: 60mm外径,实心轴,盲孔轴可选
信号输出形式: 8芯屏蔽电缆或航空插头
选型支持及详细资料请联系:021-51186187 13501695008(微信)QQ:709722748
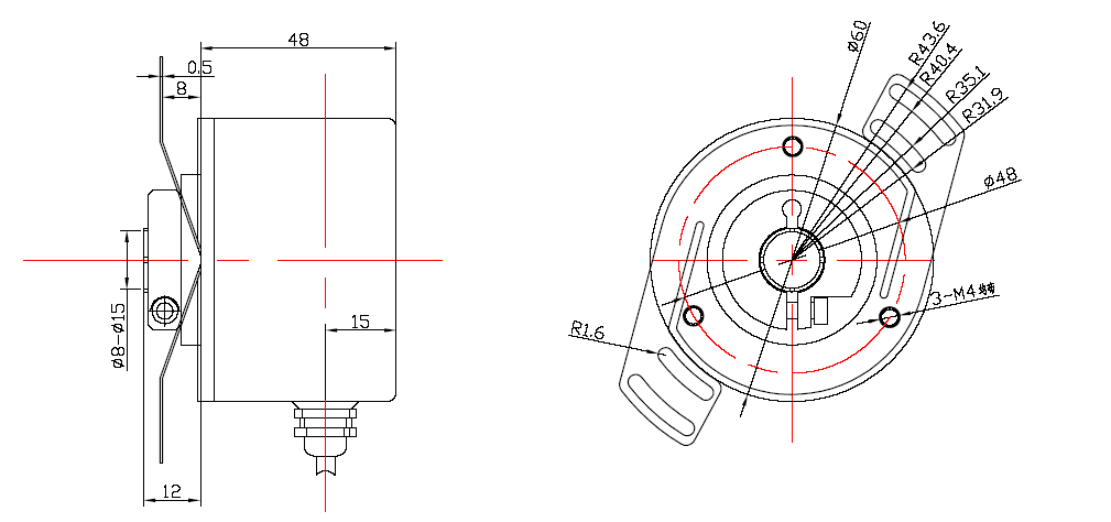
机械结构:
夹紧同步法兰:
盲孔法兰:








